Арт.: 040331(1)

Профиль FANTOM-BENT-W23-SIDE-2000 ANOD (Arlight, Алюминий)

Распечатать
Поделиться
Общие характеристики
Тип товара
Профиль
Цвет покрытия
Серебристый
Форма (сечение)
С фланцем
Назначение
Для гипсокартонных листов
Модельный ряд
BENT-SIDE
Материал корпуса
Алюминий
Индивидуальная покраска
Не выполняется
Гарантийный срок
3 год(а)
Особенность
Гибкий
Способ монтажа
Встраиваемый со скрытым фланцем
19807 р./м

В наличии

Упаковка 2 м — 39614 р.
Упаковка 2 м 39614 р.
Способы получения заказа Способы получения заказа Доставка транспортной компанией Самовывоз
Описание
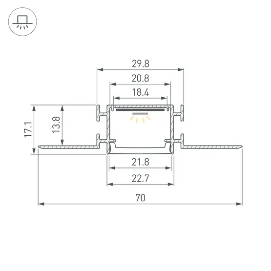
Встраиваемый гибкий профиль из анодированного алюминия со скрытым фланцем под строительную отделку устанавливается в потолки и потолочные ниши из гипсокартона. Минимальный радиус горизонтального изгиба (вправо/влево) 50 см. Габаритные размеры профиля составляют 2000 мм в длину, 70 мм в ширину и 17,1 мм в высоту. Площадка для установки светодиодных лент позволяет использовать ленту шириной до 17 мм и мощностью до 23 Вт/м. Рекомендуется использовать с гибкой светодиодной лентой серии RZ. Совместим с прямым алюминиевым профилем FANTOM-W23 и гибким FANTOM-BENT-W23-TOP. Сочетание разных видов профиля поможет подчеркнуть как прямые, так и изогнутые контуры интерьера, а также создать круги и волнообразные линии, переходящие с потолка на стены. Экраны, заглушки и другие аксессуары не включены в комплект и приобретаются отдельно. Цена указана за 1 метр профиля. Поставляется в комплекте с мягкой прокладкой для защиты профиля от грязи и пыли. Перед установкой профиля в гипсокартон ОБЯЗАТЕЛЬНО установите в профиль экран.
Характеристики
Алюминиевый встраиваемый гибкий профиль для светодиодных лент и линеек. Изгиб вправо/влево. Минимальный радиус изгиба 50 см. Габаритные размеры (L×W×H): 2000х70х17,1 мм. Ширина площадки для ленты 17 мм. Экраны, заглушки и другие аксессуары приобретаются отдельно. Цена за 1 метр. Поставляется в комплекте с мягкой прокладкой для защиты профиля от грязи и пыли.
Общие
Артикул
040331(1)
Тип товара
Профиль
Цвет покрытия
Серебристый
Форма (сечение)
С фланцем
Назначение
Для гипсокартонных листов
Модельный ряд
BENT-SIDE
Материал корпуса
Алюминий
Индивидуальная покраска
Не выполняется
Гарантийный срок
3 год(а)
Особенность
Гибкий
Способ монтажа
Встраиваемый со скрытым фланцем
Светотехнические
КПД профиля (cветовой)
76 %
Эксплуатационные
Внешний вид поверхности
Матовая
Покрытие поверхности
Анодирование
Ширина световой линии
21.4 мм
Рассеиваемая тепловая мощность на 1м
max: 23 W
Направление изгиба
Side (поперёк оптической оси)
Габариты
Длина
2000 мм
Ширина
70 мм
Высота
17.1 мм
Ширина площадки
17 мм
Глубина установки источника света
16 мм
Другие
Кратность цены за 1 м/шт
1
Модели серии (13)
Страница серии
Item 1 of 13